Valve de réfrigération d'usine d'ammoniaque de HT JS1025 EN-JS1025 d'EVRA 25
Montré est type vanne électromagnétique d'ammoniaque d'EVRA 25, code de danfoss de commande : JS1025, HT JS1025, EN-JS1025, 032F6225, 032F6226 ; port de bride, 2 manière normalement fermée, 24V C.C, 220V C.A., tensions CA 230V (d'autres tensions peuvent être adaptées aux besoins du client).
EVRA est un direct ou la vanne électromagnétique actionnée servo pour le liquide, l'aspiration et les lignes à gaz chaud avec de l'ammoniaque ou le fl uorinated des réfrigérants. Les valves d'EVRA sont complètes fourni ou en tant que composants distincts, c.-à-d. le corps de valve, la bobine et les anges de fl peuvent être commandés séparément.
Données des vannes électromagnétiques d'ammoniaque de série d'EVRA :
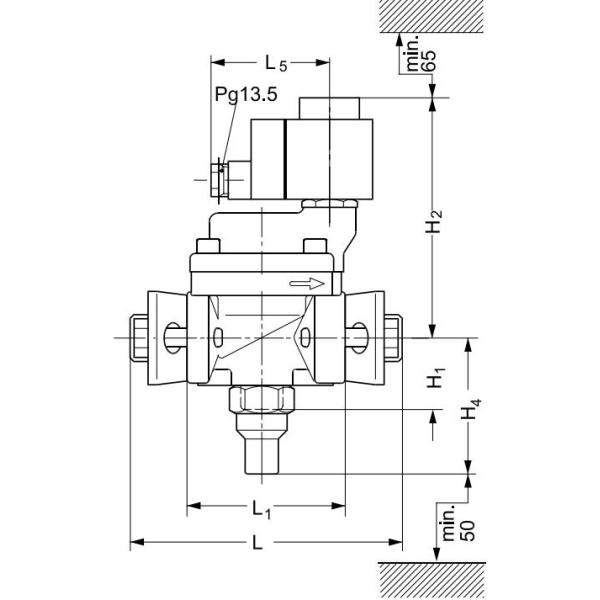
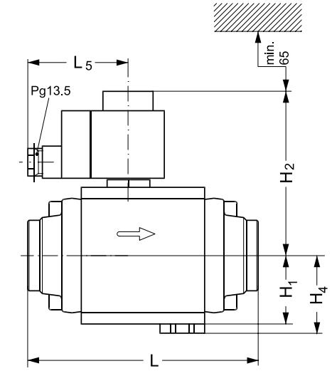
Dimension principale de vanne électromagnétique d'ammoniaque de série d'EVRA :


|
Modèle
|
H1
|
H2
|
H4
|
L
|
L1
|
|
millimètre
|
millimètre
|
millimètre
|
millimètre
|
millimètre
|
|
|
EVRA 15
|
/
|
100
|
81
|
130
|
68
|
|
EVRA 25
|
46
|
141
|
78
|
162
|
92
|
|
EVRA 32
|
47
|
115
|
53
|
175
|
/
|
|
EVRA 40
|
47
|
115
|
53
|
175
|
/
|
Vidéo de produit des vannes électromagnétiques d'ammoniaque de série d'EVRA :
Empaquetage de la vanne électromagnétique d'ammoniaque d'EVRA 25 :

Plus de valve de réfrigération pour que vous choisissiez :



Type vanne électromagnétique de Danfoss Valve de réfrigération d'ammoniaque Castel Type Solenoid Valve



Bobine de vanne électromagnétique de réfrigération Valve d'expansion Vanne électromagnétique de réfrigérateur
Foyer sur vos exigences, offre vous la meilleure solution :
Le √ nous contactent si quelques points vous ont le doute
Le √ nous contactent si devez quelque part changer
Le √ nous contactent sinon celui que vous recherchez
Le √ nous contactent si vous faites concevoir
Accueil à votre toutes question et enquête !