Rangée simple vitesse externe de quatre de point de contact de boule de pivotement incidences d'anneau pour la charge axiale
Caractéristique :
L'incidence de pivotement est une incidence qui peut adapter à la grande charge axiale, charge radiale et moment de renversement. Les incidences de pivotement ont généralement les trous d'installation, dents intérieures, en dehors des dents, des trous de lubrifiants et des dispositifs de scellage, qui permettent le contrat structurel de cadre principal, guide fiable, et facile à maintenir. Les incidences de pivotement sont très utilisées pour les machines de levage, machines d'excavation, machines de construction, machinant la grue, les machines de port et les machines de bateau, l'équipement de l'électricité, aussi bien que d'autres plus grands dispositifs rotatoires, tels que le radar et les lance-missiles à haute précision.
Caractéristiques structurelles, représentation, champ d'application
La rangée simple l'incidence deux de pivotement de boule de contact de quatre points asseyent, structure compacte, poids léger, et le caniveau d'arc de boule du contact de quatre points, peut soutenir la force axiale, force radiale et moment de renversement. Le convoyeur rotatoire, la machine de soudure d'opération, les petites grues et excavatrices et d'autres machines d'ingénierie peuvent être utilisés.
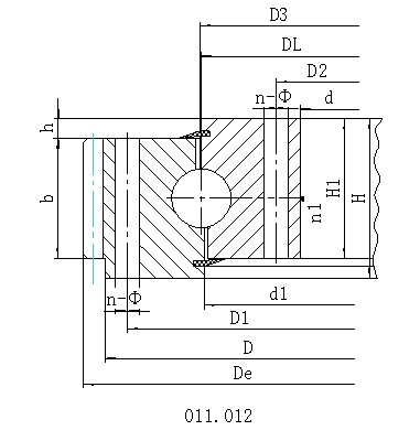
| Modèle | DL | D | d | H | D1 | D2 millimètre | n | millimètre | DM | L | n1 | D3 | d1 | H1 | h | b | X | M | De | z | kilogramme | ||
| millimètre | millimètre | millimètre | millimètre | millimètre | millimètre | millimètre | millimètre | millimètre | millimètre | millimètre | millimètre | millimètre | millimètre | millimètre | Z 104N | T 104N | |||||||
| 25 | 011.75.3150 | 3376 | 2922 | 174 | 3286 | 3014 | 56 | 45 | M42 | 84 | 8 | 3152 | 3147 | 162 | 12 | 150 | 0,5 | 20 | 3476 | 171 | 37,7 | 52,2 | 2800 |
| 012.75.3150 | 22 | 3471,6 | 155 | 41,5 | 57,4 | ||||||||||||||||||
| 25' | 011.50.3150 | 3376 | 2922 | 174 | 3286 | 3014 | 56 | 45 | M42 | 84 | 8 | 3152 | 3147 | 162 | 12 | 150 | 0,5 | 20 | 3476 | 171 | 37,7 | 52,2 | 2800 |
| 012.50.3150 | 22 | 3471,6 | 155 | 41,5 | 57,4 |
