Le pré-filtre à cheveux est également connu sous le nom de capteur de cheveux. Il est principalement utilisé pour les travaux de traitement de l'eau, y compris, mais sans s'y limiter, le traitement de l'eau brute, le traitement du lixiviat des décharges, le traitement des eaux usées,circulation de l'eau dans les piscines, parc aquatique, usine, agriculture, recyclage des eaux de pluie.
Généralement, il y a un panier en acier inoxydable intégré qui sert de filtre pour bloquer les débris de différentes tailles, éliminer les poils, les fibres et les morceaux granulaires de débris.La fonction du préfiltre capillaire est de protéger et d'assurer le fonctionnement continu des installations et dispositifs de traitement de l'eau suivants:.
Le préfiltre capillaire QRZ est rentable et se caractérise par une grande surface de filtration, une efficacité de filtration élevée, un nettoyage facile.
Emballage: boîte en bois
Transport maritime: par voie terrestre ou maritime
|
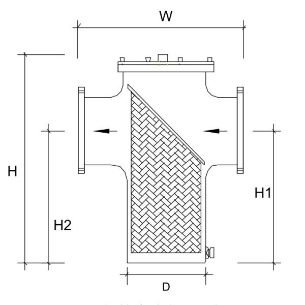
Modèle |
Entrée A (mm / ) |
Sortie B (mm / ) |
Logement D Surdose |
Hauteur H mm |
Largeur W mm |
Taille de la maille mm |
|
Le numéro de téléphone est le QRZ-FBL50. |
50 /2 |
50 /2 |
160 |
250 |
280 |
3.0 |
|
Le numéro de téléphone est le QRZ-FBL80. |
80 /3 |
80 /3 |
220 |
320 |
420 |
3.0 |
|
Le numéro de téléphone est le QRZ-FBL100. |
100 /4 |
100 /4 |
220 |
350 |
420 |
3.0 |
|
Le code QRZ-FBL125 |
125 /5 |
125 /5 |
275 |
450 |
480 |
3.0 |
|
Le numéro de téléphone est le QRZ-FBL150. |
150 /6 |
150 /6 |
310 |
500 |
500 |
3.0 |
|
Le numéro de téléphone est le QRZ-FBL200. |
200 /8 |
200 /8 |
330 |
580 |
550 |
3.0 |
|
Le code QRZ-FBL250 |
250 /10 |
250 /10 |
430 |
650 |
600 |
3.0 |
|
Le numéro de téléphone est le QRZ-FBL300. |
300 /12 |
300 /12 |
480 |
800 |
620 |
3.0 |
|
Le numéro de téléphone est le QRZ-FBL350. |
350 /14 |
350 /14 |
530 |
850 |
800 |
3.0 |
