Transformateur de modem analogique de 750340848 SMD pour le stockage de l'énergie de grille
Caractéristiques
Applications typiques
Propriétés électriques :
|
PARAMÈTRE |
CONDITIONS D'ESSAI |
VALEUR |
|
D.C. RÉSISTANCE 1-2 |
@20℃ |
0,3 ohms de maximal. |
|
D.C. RÉSISTANCE 3-4 |
@20℃ |
0,17 ohms de maximal. |
|
INDUCTANCE 1-2 |
10KHZ, 100mVAC, LS |
62uH mn. |
| DIÉLECTRIQUE 1-4 | 3750VAC, 1second | 3000VAC, 1 m |
|
RAPPORT DE TOURS |
(4-3) : (1-2) |
1:1, ±1% |
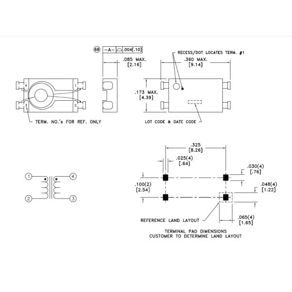
Forme et dimensions :

Image de produit :

Transformateur de modem analogique de 750340848 SMD pour le stockage de l'énergie de grille
Au sujet de nous
La technologie Cie., Ltd de ShareWay est un fabricant spécialisé des composants de PoE, produits incluent le transformateur de PoE, PoE RJ45 Magjack, PoE Lan Transformer, filtre de LAN de PoE, et ainsi de suite.
Établis en 1998, nous avons le personnel environ 500 actuellement. Avec la capacité productive abondante, nous pouvons livrer les marchandises dans un court délai. D'ailleurs, nous pouvons fournir une solution complète professionnelle pour des applications de PoE. Nos produits sont très utilisés dans le matériel de mise en réseau et de transmission tel que le HUB, les cartes PC, le commutateur, l'itinéraire, le PC Mainboard, le CSAD, le PDH, et les modems de xDSL.
Histoire de société
La technologie 1997 de ShareWay Cie., Ltd a été fondée à Shenzhen, Guangdong, Chine. Commencez la vente
LAN Transformers discret, ligne transformateur de T1/E1 et de xDSL.
Base de production établie par 1999 à Shenzhen, début produisant les transformateurs de PoE, T1/E1
et ligne transformateur de xDSL.
2000 a obtenu la certification ISO9000.
2000 développez le connecteur de PoE RJ45 qui est avec des transformateurs de LAN.
2002 développez SMT et le connecteur vertical de PoE RJ45 avec magnétique.
2008 développez l'inducteur et les obstructions de puissance de SMT/DIP
Contactez-nous maintenant pour avoir une solution pour votre projet et nouvelle conception, nous sommes toujours prêts à partager notre manière réussie avec vous.
COMMENT PASSER COMMANDE
1. Veuillez m'envoyer votre fiche technique ou numéro de la pièce que vous avez besoin.
2. Nous offrirons la citation de remplacement pour votre référence
3. Les aperçus gratuits sont disponibles pour votre approbation.
4. Après que l'échantillon examinant, nous fasse un pas dans l'ordre de masse.
5. La facture pro forma enverra pour votre confirmation
6. Après que les marchandises soient de finition, nous t'envoyons les marchandises et te disons le numéro de suivi.
7. Nous dépisterons vos marchandises jusqu'à ce que vous receviez les marchandises.
Remarques :
1. les ordres d'échantillon sont disponibles.
2. le prix est négociable pour des ordres de grandes quantités.
3. les ordres adaptés aux besoins du client (ordres d'OEM/ODM) sont disponibles.
4. contactez-nous pour la liste disponible de saveurs. Certifications internationales :
1. ISO9001 : 2008
2. UL
3. portée
4. RoHs
Notre service :
1. 100% examiné avant l'expédition
2. Ayez les solutions de rechange pour le halo, le Pluse, -en ligne, Chilisin, et Coilcraft ...... la même qualité mais le meilleur prix
3. aperçus gratuits disponibles
4. fournissez la nouvelle conception pour le client