Petit pain auxiliaire de tuyau de descente d'eau de pluie de machine de coude de tuyau de descente formant des machines
Détails rapides :
1. Service après-vente fourni : Machine disponible pour entretenir des machines à l'étranger
2. La couleur de la machine : dépendez du votre requis
3. Matériel de alimentation : bobines en acier de couleur, conditions de paiement : T/T L/C
Description
Le coude faisant la machine est principalement employé pour produire les divers coudes 1D-2.5D en acier. nous avons développé le coude à quatre cylindres poussant la machine pour faire de grands coudes, qui est les nouveaux produits techniques.
Caractéristiques
| Article | Référence | |
| uncoiler | Expansion | Hydraulique |
| Libération | Passif ou active | |
| Contrôle de vitesse | // | |
| puissance | // | |
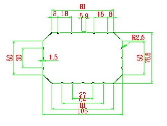
Dessin de Rainspout de référence


Écoulement de fonctionnement
Decoiler passif---- alimentation et guidage---- formation de petit pain--- redressage-- hydraulique
coupure---épuisez-vous la table
Composantes principales
Decoiler ---------------------------------------------- 1 unité
Guide de alimentation ---------------------------------------- 1 unité
petit pain principal formant la machine ---------------------------- 1 unité
Dispositif hydraulique de coupe ------------------------------ 1 unité
Station hydraulique ------------------------------------- 1 unité
Gestion par ordinateur de PLC -------------------------------- 1 unité
Table de sortie ----------------------------------------- 1 unité
Machine de coude --------------------------------------- 1 unité
Application
Cette machine est un équipement professionnel pour fabriquer des coudes. Elle peut fabriquer des coudes d'acier d'acier au carbone et allié avec l'adiameter 21mm-1420mm, une épaisseur de paroi entre 3mm-100mm et des périodes de plus 1 D.
Tuyau de descente d'eau de pluie, tuyau de descente d'eaux ménagères, rainspout, conduite d'eau, drain.
Avantages
1. De haute qualité
2. Fiable
3. Durable
4. Prix raisonnable
5. Bon après service