Cylindre argenté standard d'air de l'aluminium 6mm MXS6-20 8mm MXS8-30 MXS12-40 de série de SMC MXS
Précaution
1.Do ne pas appliquer une charge sur la gamme fonctionnante de limite.
Choisissez la charge considérante modèle de max.allowable et le moment permis. Quand le déclencheur est utilisé en dehors de des limites de fonctionnement, les charges excentriques du guide seront supérieures cette vibration causante de guide et d'inexactitude, et raccourcissent la vie.
les arrêts 2.If intermédiaires par le bouchon externe est faits, évite l'éjection.
Si l'éjection se produit, elle peut endommager. Au cas où la table glissée serait arrêtée aux positions intermédiaires par un bouchon externe puis expédiée à l'avant, renvoyez la table de glissière au dos pour juste un instant pour rentrer le bouchon, puis fournissez la pression au port opposé d'actionner la table de glissière.
Applications typiques
Impression (contrôle de tension)
Semi-conducteur (machine de soudage par points, meulage de puce)
Contrôle d'automation
Robot
Variations de série
| Modèle | Trou taille (millimètres) |
| De type courant | |
| MXS 6 | 6 |
| MXS 8 | 8 |
| MXS12 | 12 |
| MXS 16 | 16 |
| MXS 20 | 20 |
| MXS 25 | 25 |
Caractéristiques
| Taille de trou (millimètres) | 6 | 8 | 12 | 16 | 20 | 25 |
| Taille sifflante de port | M5 X 0,8 | Rc 1/8, TNP 1/8, G 1/8 | ||||
| Liquide | Air | |||||
| Action | Double action | |||||
| Pression de fonctionnement | 0,15 à 0,7 MPA | |||||
| Pression de preuve | MPA 1,05 | |||||
| La température ambiante et liquide | – 10 à 60°C | |||||
| Vitesse de piston | 50 à 500 mm/s (Option de régleur/bouchon en métal : 50 à 200 mm/s) |
|||||
| Coussin | Pare-chocs en caoutchouc (option de norme, de régleur/bouchon en caoutchouc) Amortisseur (option de régleur/amortisseur) Aucun (option de régleur/bouchon en métal) |
|||||
| Lubrification | Non-lubrifiant | |||||
| Commutateur automatique | Commutateur automatique de Reed (à 2 fils, à 3 fils) Commutateur automatique à semi-conducteur (à 2 fils, à 3 fils) commutateur automatique à semi-conducteur d'indication de 2 couleurs (à 2 fils, à 3 fils) |
|||||
| Tolérance de longueur de course | +1mm | |||||
Course standard
| Modèle | Course standard (millimètres) |
| MXS 6 | 10, 20, 30, 40, 50 |
| MXS 8 | 10, 20, 30, 40, 50, 75 |
| MXS 12 | 10, 20, 30, 40, 50, 75, 100 |
| MXS 16 | 10, 20, 30, 40, 50, 75, 100, 125 |
| MXS 20 | 10, 20, 30, 40, 50, 75, 100, 125, 150 |
| MXS 25 | 10, 20, 30, 40, 50, 75, 100, 125, 150 |
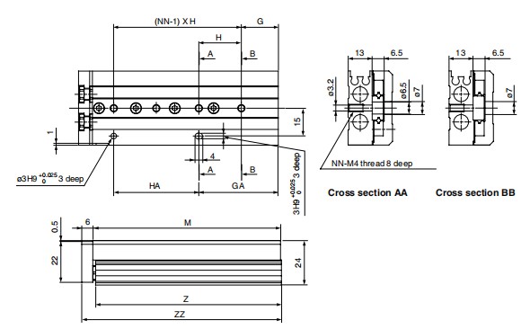
Taille
| Modèle | F | N | G | H | NN | GA | Ha | I | J | K | KA | Na | M | Z | ZZ |
| MXS8-10 | 25 | 4 | 9 | 28 | 2 | 17 | 20 | 13 | 19,5 | 23,5 | - | 2 | 49 | 48,5 | 56 |
| MXS8-20 | 25 | 4 | 12 | 30 | 2 | 12 | 30 | 8,5 | 29 | 33,5 | - | 2 | 54 | 53,5 | 61 |
| MXS8-30 | 40 | 4 | 13 | 20 | 3 | 33 | 20 | 9,5 | 39 | 43,5 | - | 2 | 65 | 64,5 | 72 |
| MXS8-40 | 50 | 4 | 15 | 28 | 3 | 43 | 28 | 10,5 | 56 | 53,5 | - | 2 | 83 | 82,5 | 90 |
| MXS8-50 | 38 | 6 | 20 | 23 | 4 | 43 | 46 | 24,5 | 60 | 63,5 | 82,5 | 4 | 101 | 100,5 | 108 |
| MXS8-75 | 50 | 6 | 27 | 28 | 5 | 83 | 56 | 38,5 | 96 | 88,5 | 132,5 | 4 | 151 | 150,5 | 158 |

Comment passer commande



Service après-vente
Nous pouvons fournir une série de service après-vente, tel que le lancement de produit, support, élimination des imperfections, support technique et ainsi de suite.
Temps de services
0h00 - 23h59
De lundi à dimanche