FFZ160/700 Pompe à vide moléculaire
Avantages clés :
1. Fonctionnement sans huile, empêchant la contamination
2. Vitesse de pompage élevée pour les gaz légers
3. Large plage de pression de fonctionnement
4. Permet des conditions de vide ultra-poussé
Les avancées technologiques continuent d'étendre les applications des pompes moléculaires grâce à la miniaturisation et aux capacités de surveillance intelligente.
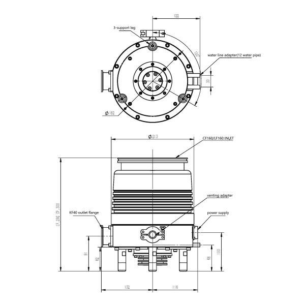
PARAMÈTRES TECHNIQUES
| Modèle | CF160/LF160 | ||
| Bride d'entrée | - | LF160 | CF160 |
| Bride de sortie | - | KF40 | |
| Vitesse de pompage | L/s | N2:700 | |
| Taux de compression N2/H2 | - | N2:10*3 | |
| Pression ultime | Pa | 6×10-7 | 6×10-8 |
| Vitesse de rotation | tr/min | 36000 | |
| Temps de démarrage | min | ≤5 | |
| Vibration | μm | ≤0.15 | |
| Vitesse de la pompe primaire | L/s | 4-8 | |
| Température de l'eau de refroidissement | ≤25 | ||
| Débit d'eau de refroidissement | L/min | ≥1 | |
| Puissance du réchauffeur | W | ≤100 | |
| Tension du réchauffeur | V | 220 | |
| Direction d'installation | - | n'importe quel angle | |
| Poids | kg | CF20/LF19 | |
SCHÉMA DE LA POMPE


APPLICATION
Fabrication d'écrans plats et de cellules solaires
Utilisé dans l'évaporation sous vide et la pulvérisation pour les panneaux OLED/LCD
Utilisé dans la production de cellules solaires à couches minces
Maintient un vide élevé pour l'uniformité et la pureté du film
Recherche scientifique et laboratoires
Essentiel pour la physique des hautes énergies (accélérateurs de particules)
Utilisé en science des surfaces (STM, XPS)
Essentiel pour les expériences de fusion nucléaire
Atteint un vide ultra-poussé (<10^-10 mbar)
Aérospatiale et simulation spatiale
Utilisé dans les tests thermiques sous vide pour les engins spatiaux
Utilisé dans les chambres d'essai des moteurs-fusées
Simule les conditions de vide spatial (<10^-6 Pa)
Industrie optique et du revêtement
Permet le revêtement sous vide pour les composants optiques
Utilisé dans les revêtements de grands miroirs de télescopes
Empêche la contamination par les vapeurs d'huile
Instruments d'analyse
Utilisé dans les spectromètres de masse (GC-MS, ICP-MS)
Essentiel pour les microscopes électroniques (MEB, MET)
Fournit un vide propre pour une analyse sensible
Médecine et biotechnologie
Utilisé dans les systèmes de protonthérapie
Utilisé dans les accélérateurs médicaux
Nécessite une grande fiabilité et stabilité
Revêtement et emballage industriels
Permet des revêtements durs pour les outils
Utilisé dans l'emballage alimentaire/pharmaceutique
Plus respectueux de l'environnement que les pompes à huile
Nouvelles énergies et science des matériaux
Utilisé dans le traitement des matériaux de batterie
Utilisé dans la préparation de matériaux supraconducteurs
Essentiel pour la recherche sur les matériaux avancés
Autres domaines spécialisés
Applications de l'industrie nucléaire
Procédés de métallurgie sous vide
Diverses fabrications de haute technologie