9.75 Filtre à cartouches multiples 150 Psi-0,6mpa Max. Pression 2 Entrée/sortie
Le boîtier de filtre à cartouches multiples est un équipement de filtration de haute qualité conçu pour un usage industriel.Il s'agit d'un outil essentiel dans diverses industries telles que la chimie., pharmaceutique, alimentaire et des boissons, et beaucoup plus.
Grâce à ses caractéristiques avancées et à sa conception efficace, le boîtier de filtre à cartouches multiples offre d'excellentes performances et fiabilité.ce qui en fait un choix rentable pour vos besoins de filtration.
| Connexion | Garantie | Longueur de la cartouche | Taux de débit | Diamètre de la cartouche |
|---|---|---|---|---|
| Les pièces de rechange | 1 année | 9.75 | 50 GPM | 2.5 |
Le boîtier de filtre à cartouches multiples est conçu pour accueillir plusieurs cartouches de filtre à air, offrant une plus grande surface de filtration et un débit plus élevé.ce qui en fait un choix polyvalent pour diverses applications.
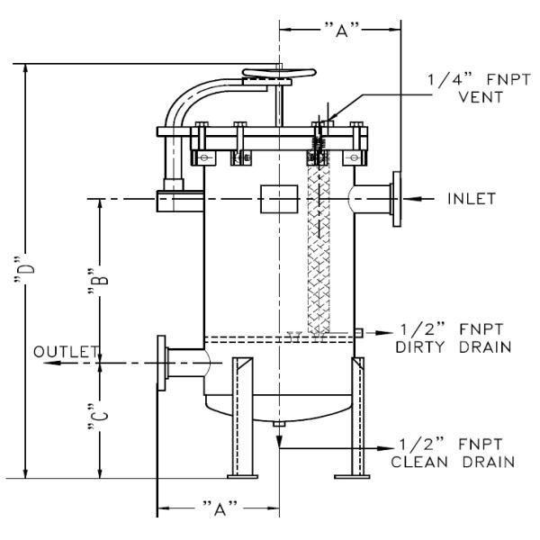
Grâce à sa connexion par bride, il est facile à installer et à connecter aux conduites existantes.Il est également équipé d'une soupape de décharge de pression pour empêcher l'accumulation de pression et maintenir la sécurité du processus de filtration.
La garantie d'un an vous donne l'assurance de la qualité et des performances du produit.
Avec son débit élevé, sa conception efficace et sa facilité d'entretien, le filtre à cartouche est un équipement essentiel pour tous les besoins de filtration industrielle.il offre d'excellentes performances et assure la pureté de votre produit final. Sa durabilité et sa polyvalence en font un choix rentable pour diverses applications. Obtenez un devis aujourd'hui et découvrez les avantages du boîtier de filtre à cartouches multiples.
| Dimension | Numéro de cartouche | Précision de filtration | Max. la pression est | Connexion | Finition de surface | Type de cartouche | Longueur de la cartouche | Éléments de filtre | Taille |
|---|---|---|---|---|---|---|---|---|---|
| # 1 | 2 à 20 | 0Pour les autres types d'équipements, voir les notes de bas de page. | Pour les appareils à combustion interne | Les pièces de rechange | Le miroir poli | La norme | 9.75 | 222 O-ring,226 O-ring | 10 |
| Dimension | # 1 |
|---|---|
| Numéro de cartouche | 2 à 20 |
| Précision de filtration | 0Pour les autres types d'équipements, voir les notes de bas de page. |
| Max. la pression est | Pour les appareils à combustion interne |
| Connexion | Les pièces de rechange |
| Finition de surface | Le miroir poli |
| Type de cartouche | La norme |
| Longueur de la cartouche | 9.75 |
| Éléments de filtre | 222 O-ring,226 O-ring |
| Taille | 10 |
| Dimension | # 1 |
|---|---|
| Numéro de cartouche | 2 à 20 |
| Précision de filtration | 0Pour les autres types d'équipements, voir les notes de bas de page. |
| Max. la pression est | Pour les appareils à combustion interne |
| Connexion | Les pièces de rechange |
| Finition de surface | Le miroir poli |
| Type de cartouche | La norme |
| Longueur de la cartouche | 9.75 |
| Éléments de filtre | 222 O-ring,226 O-ring |
| Taille | 10 |
| Dimension | # 1 |
|---|---|
| Numéro de cartouche | 2 à 20 |
| Précision de filtration | 0Pour les autres types d'équipements, voir les notes de bas de page. |
| Max. la pression est | Pour les appareils à combustion interne |
| Connexion | Les pièces de rechange |
| Finition de surface | Le miroir poli |
| Type de cartouche | La norme |
| Longueur de la cartouche | 9.75 |
| Éléments de filtre | 222 O-ring,226 O-ring |
| Taille | 10 |

Le boîtier de filtre à cartouches multiples, numéro de modèle CFH-02-7b-05, est le choix parfait pour tous vos besoins de filtration.ce produit est conçu pour vous fournir une filtration efficace et fiable dans diverses applications.
Le boîtier de filtre à cartouches multiples est un boîtier de filtre chimique conçu pour contenir plusieurs cartouches de filtre à débit élevé.Il est fait de matériaux durables et a une finition de surface de vernis à miroirLe boîtier peut accueillir des cartouches d'un diamètre de 2,5 pouces et est équipé d'une connexion de bride pour une installation facile.
Le boîtier de filtre à cartouches multiples convient à une variété d'applications et de scénarios, notamment:
Dans l'industrie chimique, ce boîtier peut être utilisé pour filtrer divers produits chimiques et éliminer les impuretés, assurant ainsi la qualité et la pureté du produit final.
Ce boîtier est parfait pour la filtration à débit élevé, ce qui en fait un choix idéal pour des industries telles que les produits pharmaceutiques, les aliments et les boissons et le traitement de l'eau.
Le boîtier de filtre à cartouches multiples est également adapté à la filtration du carburant, garantissant que votre équipement et vos machines sont protégés des contaminants et fonctionnent sans heurts.
Que ce soit pour un usage résidentiel ou industriel, ce boîtier peut filtrer efficacement l'eau et éliminer les impuretés, vous fournissant ainsi de l'eau propre et sûre à la consommation ou à d'autres fins.
Ce produit présente les caractéristiques suivantes:
Le boîtier de filtre à cartouches multiples est disponible en quatre dimensions: n ° 1, n ° 2, n ° 3 et n ° 4. Cela vous permet de choisir la taille qui correspond le mieux à vos besoins de filtration.
En conclusion, le boîtier de filtre à cartouches multiples est un produit polyvalent et fiable qui peut répondre à un large éventail de besoins de filtration.Les prix compétitifs en font un investissement précieux pour toute industrieChoisissez le boîtier de filtre à cartouches multiples et expérimentez une filtration efficace et fiable comme jamais auparavant!
Numéro de modèle: CFH-02-7b-05
Certification: CE;SGS
Quantité minimale de commande: 1 jeu
Prix: 180 à 755 $ par jeu.
Détails de l'emballage: carton en bois
Délai de livraison: 35 jours ouvrables
Conditions de paiement: L/C, D/A, D/P, T/T, Western Union, MoneyGram
Capacité d'approvisionnement: 4500 ensembles par an
Taux de débit: 50 GPM
Température maximale:
Garantie: 1 an
Matériau: acier inoxydable
Type de cartouche: standard
Principaux objectifs: boîtiers de filtres à sacs, boîtiers de filtres à haute pression, boîtiers de filtres de cartouches à débit élevé
Le boîtier de filtre à cartouches multiples est soigneusement emballé pour assurer une expédition et une livraison sûres à nos clients.
Pour l'expédition, nous offrons diverses options pour répondre aux besoins de nos clients:
Notre équipe prend grand soin de l'emballage et de l'expédition de nos boîtiers de filtre à cartouches multiples pour s'assurer qu'ils arrivent en parfait état.Nous fournissons également des informations de suivi pour nos clients pour suivre facilement leurs expéditions.