Comatsu PC35MR-2 20T-62-71160 soupape de commande hydraulique principale de la pelle
La vanne de commande de l'excavatrice, également appeléela soupape de commande principale (MCV)Il s'agit d'un composant essentiel des systèmes hydrauliques des pelles et autres machines de construction lourdes.et la direction de l'huile hydraulique vers divers actionneurs (tels que les cylindres hydrauliques et les moteurs), permettant un contrôle précis des mouvements comme creuser, soulever, balancer et voyager.
Les excavatrices modernes utilisent des vannes de commande hydraulique avancées pour assurer un fonctionnement en douceur, une efficacité énergétique et une sécurité.Principes de fonctionnement, construction, fonctions, applications, maintenance et tendances à venirdes vannes de commande des excavatrices.
|
Application du présent règlement |
Pièces pour excavatrices |
|
Nom de la partie |
Ventilateur de commande assy |
|
Numéro de pièce |
20T-62-71160: les produits de base et les produits de base |
|
Modèle |
Pour le PC35MR-2 |
|
Nombre de pièces |
1 PC |
|
Délai de paiement |
T/T, Paypal, assurance commerciale, ou selon les besoins |
|
Livraison |
3 jours après le paiement reçu |
|
Expédition |
par voie maritime, aérienne, express ou selon les besoins |
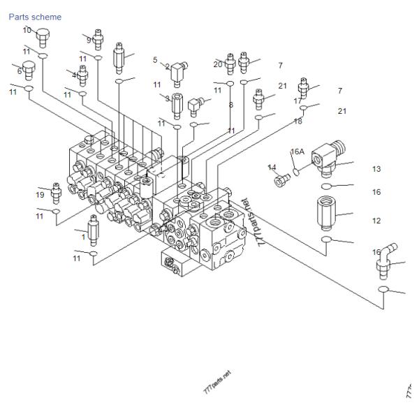
| # | Partie n° | Nom de la partie | Je suis désolée. | Demande de prix |
|---|---|---|---|---|
| 1 | 20T-62-71160: les produits de base et les produits de base | Le Parlement européen | 1 | |
| 2 | Les produits de base | Le coude | 1 | |
| 3 | 20T-62-84370 | Les États membres | 1 | |
| 4 | 20T-62-56710 | Union, (pour la 2e vitesse de déplacement) (OP) | 1 | |
| 5 | 20T-62-67150: les produits de base et les produits de base | Le Parlement européen | 4 | |
| 6 | 07040-11812 | Enfichage, (avec soupape de verrouillage) | 2 | |
| 7 | 20T-62-71150: les produits de base et les produits de base | Le Parlement européen | 2 | |
| 8 | Les produits de la sous-traitance | Le coude | 1 | |
| 9 | 20T-62-56710 | Union, (pour la 2e vitesse de déplacement) (OP) | 5 | |
| 10 | 07040-11812 | Enfichage, (avec soupape de verrouillage) | 2 | |
| 11 | 07002 à 1823 | Le système d'exploitation doit être équipé d'un système de contrôle de la vitesse. | 20 | |
| 12 | 20T-62-71450 | Le mamelon | 1 | |
| 13 | 22F-973 à 1210 | Le coude | 1 | |
| 14 | 07040-11812 | Enfichage, (avec soupape de verrouillage) | 1 | |
| 15 | Pour l'utilisation dans les machines à coudre | Le coude | 1 | |
| 16 | 07002-12434 | O-RING, (pour le raccordement de 2 actionneurs) | 3 | |
| 16A | 07002 à 1823 | Le système d'exploitation doit être équipé d'un système de contrôle de la vitesse. | 1 | |
| 17 | 07230 à 2021 | L'Union, (pour le lien croisé) | 1 | |
| 18 | 07002 à 1423 | Le système d'exploitation doit être équipé d'un système de contrôle de la vitesse. | 1 | |
| 19 | 20T-62-56710 | Union, (pour la 2e vitesse de déplacement) (OP) | 1 | |
| 20 | 20T-62-56710 | Union, (pour la 2e vitesse de déplacement) (OP) | 1 | |
| 21 | 07002 à 1823 | Le système d'exploitation doit être équipé d'un système de contrôle de la vitesse. | 2 |
La soupape de commande fonctionne selon:des signaux hydrauliques ou électro-hydrauliquesLa fonction principale de l'appareil est de diriger l'huile sous pression vers les différents actionneurs tout en maintenant une pression et un débit optimaux.
Contrôle de direction:La soupape déplace sa bobine interne pour ouvrir ou fermer les passages d'huile, dirigeant le débit vers l'actionneur souhaité.
Régulation de la pression:Les soupapes de soulagement et les compensateurs de pression maintiennent la stabilité du système, évitant ainsi une surcharge.
Contrôle du débit:Ajuste le débit d'huile pour assurer un mouvement en douceur et proportionnel des cylindres hydrauliques et des moteurs.
La plupart des excavatrices modernes utilisentà haute résistance à la combustion, qui ajustent la puissance de la pompe en fonction de la demande, améliorant ainsi l'efficacité énergétique.




Questions fréquentes

Nos avantages
