| Modèle: | Le nombre de points de contrôle est le suivant: | Le pouvoir: | Pour l'hydraulique |
|---|---|---|---|
| Précipitation: | Moyenne | Max. Appuyez sur: | 12 bar |
| - Je vous en prie. | 5 bar | Partie n°: | Les produits de la catégorie |
| Les points forts: |
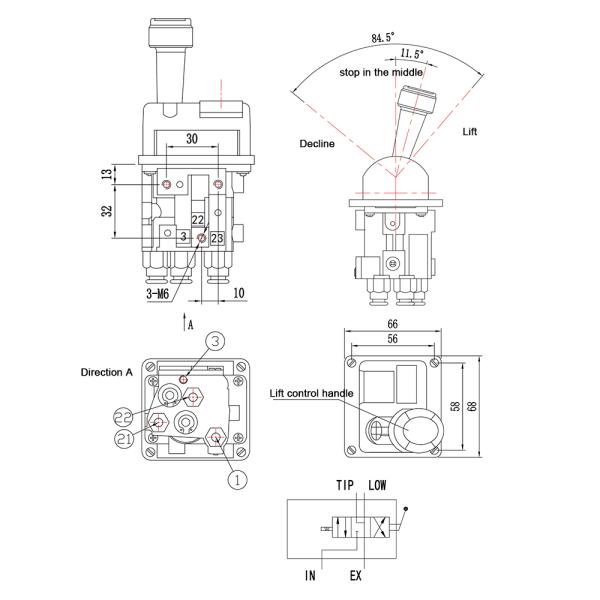
14750667H Ventilateur de décharge,Valve de commande manuelle pour camions à décharges,Commutateur de commande de soupape |
||
Plage de contrôle de l'air de la section 1:
numéro de pièce. description
147 50 665H pneumatique de commande - 1 - TF/LF
147 50 667H pneumatique de commande - 1 - TS/LF
Explication des codes:
1 = le contrôle comporte 1 section
TF = le levier est fixé en position de basculement
TS = le levier a un retour de ressort en position de pointe
LF = le levier est fixé en position d'abaissement de l'extrémité
| Dimension | ||||||||
| La partie no. | Définition | Le kit n'est pas là. | Max. Appuyez sur. | Je vous en prie. | Les ports | |||
| 1 | 3 | 21 | 22 | |||||
| 1475665H | Le contrôle de l'air de pointe TF/LF | 12 bar | 5 bar | G 1/8" | M5 | G 1/8" | G 1/8" | |
| Les produits de la catégorie | Le contrôle de l'air de pointe TS/LF | FB150A | 12 bar | 5 bar | G 1/8" | M5 | G 1/8" | G 1/8 |
Le camion-déchargeur est responsable du contrôle du levage, de l'abaissement, de l'arrêt à mi-parcours et de la flottation de la boîte de chargement.Il doit être très fiable et disposer d'un débit élevé pour supporter de lourdes charges et des conditions de travail difficiles..
Le compacteur de déchets gère la circulation du mécanisme de compression, le levage du remplissage, le levage des poubelles, entre autres fonctions.nécessitant que la vanne réponde de manière sensible et présente de bonnes performances d'étanchéité.
Les grues montées sur des camions ou les véhicules de transport de levage peuvent aider à étendre et à rétracter les jambes de support ou certaines fonctions hydrauliques de la grue.
Des dispositifs spéciaux contrôlent divers véhicules d'assainissement, tels que des camions-arroseurs, des camions-aspirateurs et d'autres équipements.
Les machines agricoles et minières sont utilisées pour les camions-chargeurs agricoles à grande échelle, les camions-chargeurs miniers à carrosserie large, etc.Ces véhicules sont exposés à des conditions de travail extrêmes et nécessitent des vannes extrêmement résistantes à la pression et durables..
Des plates-formes d'exploitation spéciales gèrent le décollage et l'atterrissage des plates-formes d'entretien et des plates-formes de levage.





Notre équipe de support technique de produit est disponible pour vous aider avec toute question ou problème que vous pourriez avoir concernant la vanne de commande hydraulique.Nous fournissons des services complets pour vous assurer que votre produit fonctionne de manière optimale et répond à vos besoins spécifiquesNotre équipe est bien informée sur le produit et peut offrir des conseils de dépannage, un soutien d'installation et des recommandations de maintenance.
Emballage et expédition du produit pour vanne de commande hydraulique:
La soupape de commande hydraulique est soigneusement emballée pour assurer sa sécurité pendant le transport.
Pour l'expédition, nous utilisons des services de messagerie fiables pour livrer le produit à votre porte. Vous recevrez un numéro de suivi afin que vous puissiez suivre l'état de votre livraison.