| Nom | Sceau avant |
| Parties n° | 6610-21-3511 6610213511 |
| Modèle de moteur | Pour les produits à base de plantes, le produit doit être soumis à un contrôle technique. |
| Catégorie | Couverture de boîtier et support avant |
| Temps de réalisation | 1 à 3 jours |
| Qualité | Tout neuf, de qualité OEM |
| Nombre de pièces | 1 PCS |
| Moyens de transport | Par voie maritime ou aérienne, DHL FEDEX UPS TNT EMS |
| Emballage | À la demande ou en emballage standard |
| KD7-09210-0030 SEAL ASS'Y, (pas présenté) |
| Les données de référence doivent être fournies à l'autorité compétente de l'État membre de référence. |
| KD7-09210-0020 SEAL ASS'Y, (pas présenté) |
| Pour les appareils de surveillance de l'environnement |
| CU3095826 SEAL |
| N14 |
| Les États membres doivent fournir des informations détaillées sur les mesures prises. |
| N14 |
| CU3068527 SEAL |
| N14 |
| Les États membres doivent communiquer à l'autorité compétente les informations suivantes: |
| N, NT, NTA |
| 04022-36 SEAL,OIL |
| NH, NTC, NTO |
| KD7-09210-0130 SEAL ASS'Y, (pas présenté) |
| NH, NTC, NTO |
| 950 734 40 Sceaux |
| Nom de code: |
| 716 916 C1 SEAL, PISTON intérieur |
| Nom de code: |
| 6610-71-3550 SEAL (K7) |
| NH |
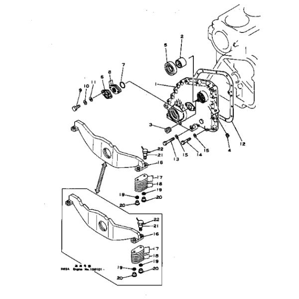
| Je suis en position. | Partie n° | Quantité utilisée | Nom des pièces | Commentaires |
| Les produits de la catégorie 1 ne sont pas soumis à cette obligation. | Les produits de base | Couverture du cul, boîte de vitesses Komatsu Chine | ||
| [SN: 100101-UP] Il est nul. | ||||
| 2. | 6610-21-3120 | Les produits de base | Le Komatsu des broussailles | 00,07 kg. |
| [SN: 100101-UP] Je vous en prie. | ||||
| 3. | 02720 à 20607 | Les produits de base | PLOG Komatsu | 00,3 kg. |
| [SN: Je suis un homme. .-UP"] analogues: ["0272020608"] | ||||
| 3. | 02720 à 20608 | Les produits de base | PLOG Komatsu | 00,3 kg. |
| [SN: 100101-."] analogues: ["0272020607"] | ||||
| 4. | Les États membres doivent: | Les produits de base | PLOG Komatsu | 00,005 kg. |
| [SN: 100101-UP] analogues: ["6610212720"] | ||||
| 5 | Pour les produits de la catégorie 6610 | Les produits de base | SEAL, OIL (K2) Komatsu est une compagnie de pêche. | 00,07 kg. |
| [SN: 100101-UP] Je vous en prie. | ||||
| 6 | Partie de l'équipement | Les produits de base | La Chine est à l'affût. | |
| [SN: 100101-UP] analogues: ["CU138988"] | ||||
| 7 | Partie de l'équipement | Les produits de base | O-ring (K2) Komatsu | 00,3 kg. |
| [SN: 100101-UP] Je vous en prie. | ||||
| 8 | Les produits de base ne doivent pas être utilisés | Les produits de base | SHIM ASS'Y (K2) Komatsu Chine | |
| [SN: 100101-UP] analogues: ["6620213030"] | ||||
| 8. | autres produits de l'industrie de la construction | Le nombre d'unités | SHIM, 0.25MM (K2) Komatsu Chine | |
| [SN: 100101-UP] Je vous en prie. | ||||
| 8. | autres produits de l'industrie de la construction | Le nombre d'unités | SHIM, 0,13MM (K2) Komatsu Chine | |
| [SN: 100101-UP] Je vous en prie. | ||||
| 8. | autres produits de l'industrie du verre | Le nombre d'unités | SHIM, 0.05MM (K2) Komatsu Chine | |
| [SN: 100101-UP] Je vous en prie. | ||||
| 9 | 02010 à 20619 | Les produits de base | BOLT Komatsu Chine | |
| [SN: 100101-UP] analogues: ["CUS117", "0201070619", "0201030619", "0201000619", "2259000801", "6610216330", "6610216630"] | ||||
| 10 | 02310 à 11224 | Les produits de base | Lave-linge, le printemps Komatsu | 00,004 kg. |
| [SN: 100101-UP] analogues: ["0160200929"] | ||||
| 11 | 02300 à 1132 | Les produits de base | Le Komatsu | 0.177 kg. |
| [SN: 100101-UP"] analogues: ["0164021016", "0164001016", "0164221016", "0164201016"] | ||||
| 12 | Les produits de la catégorie 1 | Les produits de base | GASKET (K2) Komatsu Chine | |
| [SN: 100101-UP] analogues: ["CU121934", "6643213810", "6685213811", "6685213812", "6685213813"] | ||||
| 13 | 02030 à 20764 | Les produits de base | BOLT Komatsu Chine | |
| [SN: 100101-UP] analogues: ["CUS131C", "0203030764", "0203070764"] | ||||
| 14 | 02030 à 20751 | Le nombre de personnes concernées | BOLT Komatsu Chine | |
| [SN: 100101-UP] analogues: ["CU100915", "0203030751", "0203070751"] | ||||
| 15 | 02310 à 11 428 | [16] | Laveuse, printemps Komatsu Chine | |
| [SN: 100101-UP"] analogues: ["0160111128", "0160201134", "0160211134", "0160221134", "0231001428", "380WL17000", "3840103322", "3840131100", "389103322"] | ||||
| 16 | 6691-21-3720 | Les produits de base | Je vous en prie, prenez soin de moi. | |
| [SN: 100101-UP] Je vous en prie. | ||||
| 17 | Les produits à base d'alcool | Les produits de base | Je vous en supplie. | |
| [SN: 100101-UP] analogues: ["1750100030", "6681203921", "6681213921", "6681213931", "6681223941", "6681223931", "6681233941", "6681223951", "6681233951", "6685213090", "6685213921", "6685223920","6685233920" Je suis désolé. | ||||
| 17. | 6681-22-3941 | Les produits de base | SHIM, 0.2MM Komatsu Chine | |
| [SN: 100101-UP] analogues: ["1750100030", "6681203921", "6681213921", "6681203931", "6681213931", "6681223931", "6681233941", "6681223951", "6681233951", "6685213090", "6685213921", "6685223920","6685233920" Je suis désolé. | ||||
| 17. | 6681-22-3951 | Les produits de base | SHIM, 0.15MM Komatsu Chine | |
| [SN: 100101-UP] analogues: ["1750100030", "6681203921", "6681213921", "6681203931", "6681213931", "6681223941", "6681223931", "6681233941", "6681233951", "6685213090", "6685213921", "6685223920","6685233920" Je suis désolé. | ||||
| 18 | Les produits à base d'alcool | Les produits de base | Je vous en supplie. | |
| [SN: 100101-UP] analogues: ["1750100030", "6681213921", "6681203931", "6681213931", "6681223941", "6681223931", "6681233941", "6681223951", "6681233951", "6685213090", "6685213921", "6685223920","6685233920" Je suis désolé. | ||||
| 18. | 6681-22-3931 | Les produits de base | SHIM, 0,5 mm Komatsu Chine | |
| [SN: 100101-UP] analogues: ["1750100030", "6681203921", "6681213921", "6681203931", "6681213931", "6681223941", "6681233941", "6681223951", "6681233951", "6685213090", "6685213921", "6685223920","6685233920" Je suis désolé. | ||||
| 19 | 6643-21-3982 | Le nombre d'unités | Le Komatsu des broussailles | 00,06 kg. |
| [SN: 100101-UP] Je vous en prie. | ||||
| 20 | Pour les produits de l'industrie des produits de la construction | Le nombre d'unités | Le Komatsu des broussailles | 00,02 kg. |
| [SN: 100101-UP] Je vous en prie. | ||||
| 21 | 6675-21-3863 | Le nombre d'unités | BOLT Komatsu Chine | |
| [SN: 100101-UP] analogues: ["6675213864", "6675213862"] | ||||
| 22 | 04059-01650 | Les produits de base | Je vous en prie, Komatsu. | 00,004 kg. |
| [SN: 100101-UP"] analogues: ["0405901625"] |

1 Pièces hydrauliques: pompe hydraulique, soupape principale, cylindre hydraulique, entraînement final, moteur de déplacement, machine à balancer, moteur à balancer, etc.
2 Pièces du moteur: coussin, piston, anneau de piston, bloc de cylindre, tête de cylindre, vilebrequin, turbocompresseur, pompe d'injection de carburant, moteur de démarrage et alternateur, etc.
3 Partie du chariot: rouleau à rouleaux, rouleau à rouleaux, lien de rouleaux, chaussure à rouleaux, broche, coussin de rouleaux, etc.
4 Pièces de cabine: cabine de l'opérateur, câblage, moniteur, manette, siège, porte, etc.
5 Pièces de refroidissement: radiateur, climatiseur, compresseur, réfrigérateur, etc.
6 Autres pièces: trousse de service, cercle de balancement, capot du moteur, joint de balancement, réservoir de carburant, filtre, flèche, bras, seau, etc.
Avantages
1Offrir des produits de qualité et compétitifs
2. Assistance garantie de 12 mois
3. 100% testé avant expédition
4Livraison à temps.
5Une large gamme de capteurs de pression d'huile, capteurs de niveau du réservoir de carburant, capteurs de température, capteurs de vitesse pour les excavatrices
6Plus de 15 ans d' expérience en production et 11 ans d' expérience dans le commerce extérieur
7Une équipe de contrôle qualité professionnelle.
8La meilleure équipe de vente, service 24 heures sur 24.
Détails de l' emballage:
Emballage intérieur : film plastique pour l'emballage
Emballage extérieur: en bois
Expédition:
Dans un délai de 3 jours après réception du paiement, par voie aérienne ou express ou par voie maritime sur la base du
quantité et circonstances d'urgence.
1Par courrier: DHL, UPS, FEDEX, TNT sont les principales compagnies de courrier avec lesquelles nous coopérons,
2Par voie aérienne: livraison du port aérien de Guangzhou au port aérien de la ville de destination du client.
3Par mer: livraison depuis le port de Huangpu.